浮动式夹具,有效防止产品变形
发布时间:2024-11-18 点击次数:127
其独立的夹持和锁定结构,可以在极其柔软的工件上夹紧和支撑、附加夹紧点,还可以单独设计夹紧力和支撑力。

浮动式夹持的特点
从视频中可以看出此种浮动式夹持组件的一些优点:

-在固夹不稳定组件时不会造成变形;
-在过程中可避免抖动;
-可固夹肋状材、珠状材及钩环等组件,以强固夹持的组件;
-在夹持未加工零件时不会造成变形。



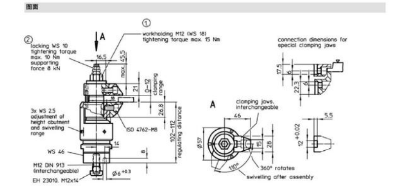
原理结构
浮动夹具的设计结构如下:
